1

Thema: Elektro-Schaltplan als Powerpoint-Datei

Hallo,
in den wenigsten Tractions, so auch in meiner, entspricht die Elektrik noch den historischen Plänen.
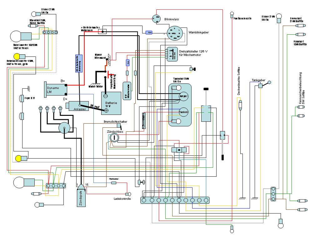
Daher habe ich mir meinen Schaltplan als Power-Point-Datei erstellt, in den sich alle Modifikationen eintragen lassen. Siehe Anlage.
Falls jemand daran Interesse hat, um ihn sich für sein Fahrzeug anzupassen, versende ich ihn gern als ppt-Datei. Bitte mail-Adresse zusenden.
Natürlich sind die alten, handgemalten Schaltpläne schöner anzuschauen, aber der Neue stimmt halt.
Gruß, Ferdi

Post's Anhänge

Anhang Symbol pe120707j.jpg 105.35 kb, 201 Downloads seit 2007-07-13 

2

Re: Elektro-Schaltplan als Powerpoint-Datei

Hallo Ferdi,
gute Idee, einen aktuellen Schaltplan zu machen. Einen kleinen Haken hat die Sache allerdings: Bei den meisten Autos ist jahrelang an der Elektrik gebastelt worden, so dass kein Schaltplan mehr genau zutrifft. In Deinem Fall ist mir aufgefallen, dass die Hupen nicht richtig angeschlossen sind. Original ist der Hupenschalter nämlich zweistufig (für Ville und Route, das heisst, bei der ersten Stufe ein Horn - das leisere - für stättische "Bedürfnisse", drückt man weiter, kommt das zweite Horn hinzu, und das macht mehr Krach.) - Ich habe Deinen Plan übrigens nicht total überprüft, und schon gar nicht etwa mit dem Ziel, Fehler zu finden.
Es gibt kleine Unterschiede zwischen Rad- und Koffermodell etc. Somit ist jeder Plan nur ein Hilfsmittel, etwas Verständnis und Nachdenken muss jeder mitbringen.
Als allgemeines Hilfsmittel ist aber Dein Werk sicher brauchbar, immerhin ist er farbig. Einen aktualisierten Schaltplan gibt's übrigens auch in meiner Reparaturbroschüre für Anfänger.
Daniel Eberli

3

Re: Elektro-Schaltplan als Powerpoint-Datei

Hallo Daniel,
natürlich erhebt mein Plan keinen Anspruch auf Allgemeingültigkeit, sondern soll Interessierten nur als Hilfestellung zur Erstellung ihres individuellen Planes in Powerpoint dienen.
Die Hupenanschaltung ist im Übrigen nicht falsch, sondern nur nicht original. Denn den defekten Originallichtschalter (72,50 €) habe ich ersetzt durch einen gebrauchten Entenschalter (10,-€), welcher zwar keine Doppelhupfunktion bietet, aber genauso aussieht.
Ebenso sind auch diverse andere Punkte vom Original abweichend wie z.B. die Anschlüsse für Scheibenwischermotor, Blinker, Positionslichter, Sicherungen, Masseschalter, 12V usw.
Schönen Gruß, Ferdi